相關資訊
Related News- 江蘇歐麥朗亮相上海國際工業展!雙節能核心設備+一站式服務賦能企業降本增效
- 啤酒廠節能新路徑:高溫水源熱泵讓 “廢熱” 變身生產熱水
- PVT 熱泵系統:高效集成的雙能利用創新方案
- 歐麥朗空氣能高溫熱泵:破解涂裝線脫脂液加熱痛點的優選方案
- PVT光伏板+光伏直驅熱泵:工廠生活熱水供應的節能新方案
- 冷卻塔余熱回收:高溫水源熱泵應用方案
- 空氣能熱泵 + PLC 智能控制:破解天然氣壓差發電復熱難題
- 歐麥朗高溫熱泵在汽車輪轂涂裝前處理中的創新應用
- 高溫熱泵助力連續鍍:從工藝適配到效益提升
- COP 達 3-5、節能超 60%!熱泵技術為金屬件清洗工藝降本增效提供關鍵路徑
- 空氣能熱泵在汽車配件清洗恒溫熱水供應中的核心價值
- 節能黑科技:高溫水源熱泵如何重塑飲料無菌灌裝生產線的能源效率
聯系我們
Contact Us
江蘇歐麥朗設備安裝工程有限公司
地址:新北區龍虎塘新區產業園區
電話:13706164559
手機:13706164559(微信同號)
QQ:2242597105
地址:新北區龍虎塘新區產業園區
電話:13706164559
手機:13706164559(微信同號)
QQ:2242597105
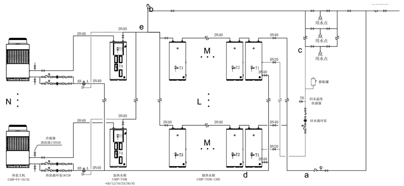
閉式小水箱空氣能熱水系統 舒適度更高 更穩定
更新時間:2020-09-11 點擊:973
隨著生活水平的逐步提高,熱水需求的舒適性不斷上升,空氣能閉式系統正在慢慢普及。雖然初期的投資較常規熱水高,但是其使用壽命長、舒適性好、運行穩定、應急措施完善。閉式系統正在受到越來越多的關注。
閉式系統與大氣隔絕,水箱內膽及設備內部不易受到腐蝕,增加設備的使用壽命。該空氣能熱水器整套系統閉式運行,水泵的功率需求較小,整體的能耗降低,更更。閉式系統對樓面的負荷要求較小,可以滿足不同的安裝需求,安裝靈活多變。閉式小水箱熱水系統在設計時,在機器出現故障時的應急措施更加到位。在商用領域可以更加的受到青睞。防止因為機器故障造成的經濟損失,減少服務行業各種擔憂。閉式熱水系統,在供水端優勢更加明顯,熱水與冷水壓力均衡,不易造成忽冷忽熱,增強了用戶的體驗舒適度。歐麥朗閉式熱水系統,用精確控溫、應急供熱、安裝規范、系統穩定贏得更多的贊譽。

空氣能閉式小水箱熱水系統原理圖



上一條信息:養老中心熱水工程——太陽能+冷凝式商用燃氣爐系統
下一條信息:空壓機余熱回收我們可以做嗎?



小程序